Ce document est issu du site Sennheiser France. Il est disponible au format PDF sur leur site et dans notre rubrique téléchargements.
En consultant le "Guide ligne 100 V QSC audio" vous saurez tout sur cette technique de distribution sonore. Très complet, ce guide est un document pratique permettant, par exemple, de calculer la section des câbles en fonction de la longueur envisagée ou de déterminer la couverture et le placement des haut-parleurs... En bref, tout ce qu'il faut savoir pour réaliser une configuration ligne 100 V performante.
LES SYSTÈMES LIGNE 100 V
GUIDE D’UTILISATION
QSC AUDIO
I. Systèmes de distribution ligne (25, 70, 100 V)
II.. Conception d’un système de distribution sonore
Association de composants de tensions différentes
III. Combien de haut-parleurs ?
HP passif et ligne de distribution raccordés ensemble sur un même canal
Les systèmes ligne 100V
Ce guide d’application a été conçu pour vous apporter une aide à la conception d’installations de sonorisation utilisant un ou plusieurs amplificateurs série CX T.
I. Systèmes de distribution ligne
Le meilleur moyen de distribuer du son à partir d’un même amplificateur à de nombreux haut-parleurs à des puissances relativement basses est d’utiliser le principe ligne 100 V (ou 25 ou 70 V), tous les HP pouvant délivrer le même niveau ou différents niveaux de puissance.
Un système de distribution sonore est défini par la tension qui alimente la ligne : 25, 70 ou 100 V. La puissance
d’un amplificateur est déterminée par la valeur de courant qu’il est capable de délivrer. Deux amplificateurs de puissances différentes vont tous deux être capables, par exemple, de délivrer une tension de 70 V, mais le plus puissant des deux le fera avec une valeur de courant plus élevée. Il pourra donc envoyer plus de puissance à plus de HP.
Exemple d'un HP connecté à une ligne de distrubution à travers un transformateur
On peut ici faire l’analogie avec une alimentation secteur : Une source de courant est caractérisée par sa tension en Volts et la valeur de courant en Ampères qu’elle est capable de délivrer. Exemple: 220 V 15A, 20A ou 30A... le nombre d’appareils reliés
à une source de courant secteur ne doit pas dépasser ses possibilités en courant.
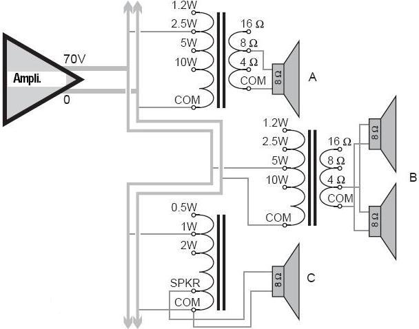
Exemple de système de distribution ligne 70 volts
Les haut-parleurs pour système de distribution sont dotés de transformateurs permettant de les adapter à la ligne en fonction de la puissance désirée. Sur un transformateur d’adaptation le choix de la puissance se fait généralement par pas de 3 dB. Chaque position de réglage divise la puissance par deux par rapport à celle qui la précède. Par exemple, un transformateur pourra offrir les positions 0,5, 1, 2 et 4 watts.
En fonction des besoins on pourra donc choisir le réglage approprié. On voit que le système offre une grande souplesse puisqu’à partir d’une même ligne on peut définir une configuration de HP présentant des puissances différentes en fonction des différentes zones à sonoriser.
II. Conception de systèmes de distribution sonore
Plusieurs étapes interviennent pour la conception d’un système de distribution sonore:
• Déterminer la couverture sonore des HP et leur placement
• Déterminer les niveaux de puissance nécessaires pour chaque HP
• Choisir l’amplificateur adapté
COUVERTURE ACOUSTIQUE ET PLACEMENT DES HAUT-PARLEURS
L’objectif dans le placement des HP est d’assurer la couverture acoustique d’une surface donnée avec un nombre minimum de points de diffusion. Une couverture acoustique effective ne doit pas seulement permettre d’entendre le son, mais doit assurer une bonne intelligibilité en tout point de l’espace à sonoriser.
Un haut-parleur dans un local partiellement ou entièrement fermé diffuse le son de deux manières différentes: une partie du son est rayonnée directement (en portée optique) par le HP. Une autre partie du son parvient par réflexion sur les parois du local, plafonds, sol, murs, meubles, etc. Le champ sonore direct décroit en fonction de la distance du HP. A chaque fois que la distance double, la pression sonore diminue de 6 dB. Une réduction de pression de 6 dB donne une pression sonore locale correspondant à 1/4 de l’intensité sonore initiale, ce qui revient à dire que la pression sonore varie en fonction inverse du carré de la distance.
S’il est facile de prédire l’atténuation du champ direct il en tout autrement pour le champ diffus, particulièrement lorsque le local comporte de multiples surfaces acoustiquement réfléchissantes. Le problème est que lorsqu’on s’éloigne d’une surface on se rapproche souvent d’une autre. Le contrôle du champ sonore diffus passe par la conception architecturale et le traitement acoustique des surfaces avec des matériaux absorbants.
Pour assurer un facteur d’intelligibilité élevé, il faut optimiser le rapport entre champ direct et champs diffus. Cela est généralement obtenu, à la fois du point de vue pratique et économique, en plaçant les haut-parleurs à proximité des auditeurs.
D’une façon générale, un système de distribution sonore permet de résoudre les problèmes posés par les locaux acoustiquement
difficiles. Par exemple, une pièce très réverbérante, avec de grandes surfaces réfléchissantes (bois au sol et plafond, murs lisses, etc.) pourra avantageusement être équipée d’une multitude de HP de faible puissance placés de façon à ce que les auditeurs se
trouvent situés dans la zone de champ direct d’un HP. Ici ce type d’installation donnera de bien meilleurs résultats qu’une paire d’enceintes de forte puissance localisée en un seul point.
Pour l’implantation de HP dans un plafond on applique généralement la règle suivante : la distance d’axe en axe entre deux HP doit être égale au double de la distance sol plafond. Avec des HP offrant une ouverture de 90, cette façon de procéder sera surtout valable pour la musique d’ambiance.
Pour la diffusion d’annonces ou les applications public-adress, cette méthode n’est pas totalement satisfaisante, la couverture sonore étant plus ou moins alléatoire suivant la position de l’auditeur par rapport au sol (selon, par excemple, que l’auditeur est assis ou debout).
La meilleure technique consiste en fait à espacer les HP d’une distance égale au double de la distance du plafond aux oreilles des auditeurs. Il faut dans ce cas utiliser plus de HP, plus proches les uns des autres, permettant ainsi d’avoir une couverture beaucoup plus homogène, quelle que soit la position occupée par l’auditeur (voir schémas). Par exemple, dans une salle de restaurant dont le plafond est à 2,9 m de hauteur et la hauteur moyenne des oreilles des auditeurs (assis...) de 1,1 m au dessus du sol (par conséquent à environ 1,8 du plafond) la distance entre les divers points de diffusion ne doit pas dépasser 3,6 m.
Pour obtenir une couverture sonore encore meilleure, on pourra appliquer un coéfficient multiplicateur de 1,5.
Dans notre exemple, la distance entre HP sera rammenée à 2,7 m.
Après avoir défini l’emplacement des HP, vous avez besoin de calculer quelle devra être la puissance exigée par chacun d’eux. Si les locaux sont opérationnels et dans leurs conditions normales d’utilisation, vous pouvez faire appel à un décibel mètre. La mesure du bruit ambiant se fera en pondération A, à hauteur d’oreille.
Essayez de réaliser la mesure au moment ou le bruit ambiant est à son maximum. Par exemple, dans une usine vous ferez la
mesure quand les machines sont en marche.
Dans un restaurant, la mesure sera faite à une heure de pointe, quand le restaurant est plein. Pour de la musique d’ambiance, le niveau de diffusion doit être de 10 dB SPL supérieur au niveau de bruit ambiant. Pour la diffusion de messages avec une bonne intelligibilité, le niveau doit être de 15 dB SPL supérieur au bruit ambiant. Pour une intelligibilité optimum il sera de 25 dB SPL supérieur au bruit ambiant.
Vous allez ensuite utiliser la distance du HP aux oreilles de l’auditeur, combinée à sa sensibilité nominale (exprimée en dB pour 1 watt à 1 m ou en dB SPL avec 1 watt à l’entrée à une distance de 1 m), pour déterminer la puissance SPL nécessaire pour chaque HP de votre système de distribution sonore. Utiliser la reglette ci-dessous pour convertir la distance HP - oreilles en dB. A l’aide du graphique ci-contre, vous pourrez ensuite déduire la puissance nécessaire à plus ou moins 1 watt.
Augmentation de puissance en dB. Sensibilité nominale du HP (1W, 1m )
EXEMPLE:
Un haut-parleur (sensibilité : 94 dB pour 1 W à 1 m) est placé dans un bureau présentant un bruit ambiant de 72 dBA, mesuré pour des personnes assises à leur poste de travail. Votre client désire avoir une excellente intelligibilité. Pour cela vous allez avoir besoin de 97 dB SPL (72 dB + 25 dB). Le HP encastré dans le plafondest à 1,8 m au dessus des oreilles des auditeurs. La réglette de conversion vous permet de voir que pour 1,8m, il faut 5,2 dB. Il faudra donc que votre HP produise 102,2 dB à une distance de 1m pour avoir 97 dB à 1,8 m.
Votre HP faisant 94 dB pour 1 W à 1 m il demande un niveau de puissance supérieur de 8,2 dB (102,2 dB - 94dB) par rapport à 1 W. Le graphique vous permet alors de déterminer facilement que la puissance nécessaire devra être de 6,6 watts. Le transformateur du HP offre les positions 0,5 W, 1, 2, 4 et 8 W. La valeur la plus proche de la puissance dont vous avez besoin est 8 W. Sur cette position, vous aurez seulement 0,8 dB de plus que la valeur théorique que vous avez déterminée.
Après avoir déterminé la puissance requise pour chaque transformateur de HP, vous allez effectuer la somme de ces puissances afin de définir quelle est la puissance que doit délivrer l’amplificateur. Par exemple, si vous avez seize HP réglés sur 2 W, sept sur
1 W et 8 sur 10 W, la puissance totale requise par l’ensemble des HP sera de 119 W.
La présence d’un transformateur implique un phénomène de perte par insertion, c’est pourquoi, l’amplificateur doit être capable de fournir une puissance supérieure à la puissance théorique requise par l’ensemble des HP. En moyenne, un transformateur de haute qualité a une perte d’insertion de 1 dB. Cela implique de fournir 1,25 W au transformateur pour avoir 1 W au HP. Un transfo de faible qualité présentera une perte par insertion de 2 dB. Il faudra donc environ 1,6 W pour avoir 1 W au HP. Un transformateur médiocre introduit de telles pertes que la qualité globale des performances se trouve dégradée... le meilleur et le plus puissant des amplificateurs ne pourra rien y faire.
Pour compenser la perte d’insertion il suffit d’ajouter la puissance correspondant au pourcentage de la somme des puissances transfo HP. Par exemple, pour des transfos ayant une perte par insertion de 1 dB, ajouter 25%. Dans notre exemple (voir plus haut), il faudra pour satisfaire à une puissance HP de 119 W disposer d’une puissance d’amplification de 149 W (119 W + 25%).
De façon à disposer d’une marge de sécurité il est bon d’ajouter encore 25% de puissance supplémentaire. Dans notre exemple il faudra donc en définitive un amplificateur de 186 W. Cette valeur devra être celle que vous devrez considérer comme un minimum pour le choix d’un amplificateur.
CONSEIL :
Une fois le système installé et opérationnel, mettre l’ampli hors tension et mesurer l’impédance entre la ligne de distribution et la sortie de l’ampli. Utiliser un impédancemètre audio (pas un ohmmètre). Noter le résultat de la mesure pour une utilisation utltérieure. Si vous insérez un réseau d’ordre dans le système mesurer à nouveau l’impédance et comparer le résultat à la valeur notée pour apprécier la différence. Il s’agit d’un moyen simple et rapide de vérifier si quelquechose a changé dans une installation. De la même façon procédez à une mesure à chaque fois que vous modifiez un réglage de tranfo, que vous ajoutez ou retirez une enceinte ou que vous faites une modification quelconque dans votre système de distribution.
ASSOCIATION DE COMPOSANTS DE TENSIONS NOMINALES DIFFERENTES
Parfois, il peut être pratique d’utiliser un transformateur ou une combinaison HP/transfo avec un système ligne présentant une tension nominale différente. Par exemple, un transfo 70 V peut être utilisé avec un système ligne 25 V. Ne jamais utiliser un transformateur avec une tension plus élevée que sa propre tension nominale. Par exemple un transfo prévu pour 100 V ne devra pas être utilisé avec une ligne 140 V.
Pour déterminer la puissance équivalente d’un transformateur, repérer dans le tableau ci-dessous la colonne correspondant à la tension nominale du tranfo. Dans la colonne de gauche repérez la tension du système de distribution. Le tableau vous indique la réduction en dB que vous devez appliquer pour l’utilisation du graphique ci-après.
EXEMPLE:
Vous avez un transformateur 70 V avec les réglages possibles 0.6, 1.2, 2.5, et 5 W. Quelle puissance allez-vous avoir avec une ligne 50 V ? Le tableau montre qu’un transfo 70 volts utilisé avec une ligne 50 V perd 3 dB. Le graphique montre que les puissances seront dans ce cas respectivement 0.3, 0.6, 1.25, and 2.5 watts.
III. Combien de haut-parleurs ?
Combien de HP peut-on raccorder à un système de distribution ? L’amplificateur détermine lui-même la puissance audio disponible pour la ligne. La figure ci-contre montre la compensation de puissance nécessaire suite à la perte par insertion des transformateurs et la marge de sécurité pour disposer d’une puissance suffisante pour les HP. Par exemple, supposons que nous disposons d’un amplificateur de 500 W pour un système ligne 70 V et que les transformateurs ont une perte par insertion de 1 dB. La perte des transformateurs demande 25% de puissance supplémentaire pour les HP. Pour avoir une marge de sécurité nous ajoutons à nouveau 25% à la puissance demandée à l’amplificateur. Cette marge de sécurité n’est pas obligatoire, mais vivement conseillée. Elle permet d’envisager une extension future du sytème et permet de réduire le «stress» de l’amplificateur.
1,25 x 1,25 = 1,5625
Vous avez donc besoin de 56% de puissance supplémentaire par rapport à la somme des puissances transfos. L’inverse de 1,5625 est 0,64. 64% de la puissance de l’amplificateur sera utile à une configuration de HP... Avec un amplificateur de 500 W nous pouvons donc diposer de 320 W (64% de 500 W), ce qui nous permet d’alimenter par exemple 32 HP réglés sur 10 W ou 64 HP réglés sur 5 W, etc.
Le tableau ci-dessous montre la charge maximum recommandée (somme de toutes les puissances transfos HP sur une ligne) pour les amplis CX4T, CX6T et CX12T. La perte par insertion prise en compte est ici de 1 dB. Il est bien sûr possible d’utiliser des configurations de sorties différentes sur les deux canaux si l’amplificateur n’est pas utilisé en mode bridgé mono. Par exemple, un canal d’un CX12T peut alimenter une ligne 70 V avec une charge de 320 W alors que l’autre canal alimente une ligne 25 V, ou une enceinte passive.
Les transformateurs voient actuellement leur taille se réduire et offrent une qualité variable. Nombre d’entre eux ont tendance à saturer dans les basses fréquences. La saturation intervient lorsque le champ magnétique induit par le signal audio est supérieur à ce que le noyau du transformateur peut tolérer. Si la tension du signal augmente encore, le flux magnétique ne peut plus augmenter et le transformateur subit l’équivalent d’un “clipping”: il sature. Dans les hautes fréquences, ce phénomène est beaucoup plus rare car le signal subit des alternances rapides de polarité, inversant le flux magnétique avant que la saturation du transfo apparaisse.
La saturation est la cause de distorsions audibles. Dans les cas extrêmes, des dommages peuvent être causés à l’amplificateur alimentant la ligne. En effet, lorsqu’un transformateur sort d’un état de saturation violent, le champ magnétique s’écroule brutalement induisant une pointe de tension sur la ligne qui peut remonter jusqu’à l’amplificateur. Ce phénomène est plus fréquent avec les lignes peu chargées.
Le meilleur moyen d’éviter les problèmes de saturation est de filtrer les fréquences capables de causer une saturation, sans que la qualité audio ne soit affectée. Les amplis CX6T et CX12T sont dotés d’un fitre passe-haut à front raide (18 dB/oct.) éliminant les fréquences inférieures à 45 Hz. Le CX4T a un filtre passe-haut (12 dB/oct.) agissant à 50 Hz.
Ce type de filtre est une excellente parade aux saturations avec des transformateurs HP de bonne qualité. Avec des transfos dont la réponse ne descend pas jusqu’à 45 Hz insérer un filtre passe-haut de la valeur adéquate entre la source audio et l’amplificateur.
RACCORDEMENT SIMULTANE D’UNE LIGNE DE DISTRIBUTION ET D’UNE ENCEINTE PASSIVE SUR UN MEME CANAL
Les versions T des amplificateurs CX offrent à la fois des sorties pour enceinte passive et pour ligne de distribution 25, 70 et 100 V. Ce point est représentatif de la souplesse d’utilisation de la série CX par rapport à d’autres amplificateurs : la possibilité de raccorder à la fois sur un même canal une enceinte passive et une ligne de distribition.
Ce type de configuration est simple à réaliser mais demande quelques précuations:
• L’enceinte passive utilisée doit présenter une impédance de 8. Assurez- vous également que sa puissance admissible soit en rapport avec celle de l’ampli (150 W pour utilisation avec CX4T, 200 W avec CX6T et 400 W avec CX12T). La raccorder sur les sorties basse impédance.
• La puissance totale (somme des puissances de chaque transfo/HP + perte par insertion + marge de sécurité) de la ligne de distribution ne doit pas dépasser : 40 W pour le CX4T, 60 W pour le CX6T et 125 W pour le CX12T. Raccorder sur les sorties transfo appropriées.
L ‘enceinte passive représente la charge la plus importante pour l’amplificateur et reçoit considérablement plus de puissance que la ligne de distribution. Si vous réglez les contrôles de gain par rapport à l’enceinte passive, le niveau sonore de la ligne de distribution sera également modifié, pas forcément dans le sens souhaité.
Raccorder la ligne de distribution (jusqu’à 40W (CX4T), 60W (CX6T), ou 125W (CX12T) aux bornes appropriées. Raccorder l’enceinte passive aux bornes de sortie basse impédance.
Une méthode alternative consiste à raccorder l’enceinte passive aux sorties ligne 25 V. Dans ce cas, environ 80 W sont fournis à l’enceinte et les sorties 70 - 100 V disposent de plus de puissance : jusqu’à 75 W pour le CX4T, 150 W pour le CX6T et 400 W pour le CX12T.
Même si les racccordements sont réalisés avec des câbles en cuivre de haute qualité, une faible résistance électrique vient s’opposer au passage du courant. Cette résistance est inversement proportionnelle à la section des câbles utilisés. Afin de réduire la résistance de ligne et la perte d’énergie qu’elle entraine, il est recommandé d’utiliser des câbles en cuivre offrant une section convenable, en rapport avec l’application envisagée. Ceci est particulièrement important avec les enceintes passives de faible impédance. Une ligne de distribution 100 V ne sera pas affectée de façon sensible par une résistance de ligne d’1/2. Dans le même cas, une enceinte passive de 2se verra privée de 36% de la puissance disponible à la sortie de l’ampli (perte de 1,9 dB). Le facteur d’amortissement sera également réduit (pas meilleur que 4). Si un amplificateur peut alimenter une charge à travers un câble présentant une résistance théorique égale à zéro, la puissance ne parvient jamais sans perte dans un câble réel. Le graphique ci-dessous montre la perte de ligne induite par un câble en fonction de sa section et de sa longueur par rapport à un câble idéal théorique de résistance nulle. Il exprime le coéfficient de transfert de puissance dans un câble, déterminé par la formule :
Coefficient de tranfert de puissance = ( R charge / (R câble + R charge) )²
Vous avez une charge de 8. Avec un câble imaginaire de résitance égale à 0, toute la puissance disponible est transférée à la charge et dans ce cas le coefficient de tranfert de puissance est égal à 1. Si vous substituez à ce câble un autre présentant une résistance de ligne de 2, la charge ne reçoit que 95,2% de la puissance initiale. Le coefficient de transfert de puissance est dans ce cas de 0,952 (une perte de 0,2 dB).
L’un des objectifs majeurs dans la conception de la série des amplificateurs série CX - en particulier pour les modèles à haute puissance - est de permettre un fonctionnement optimum à partir d’une source de courant secteur standard. Les «conditions normales» d’alimentation d’un amplificateur font intervenir une source de bruit rose à une puissance moyenne égale à 1/8e de la puissance maximum. Cela est considéré par la majorité des commissions internationales de sécurité comme le maximum dans l’utilisation musicale d’un amplificateur pour maintenir l’incidence du clipping à un minimum raisonnable. L’appel en courant d’amplification crête à pleine puissance de sortie dans 2 ohms correspond à plusieurs fois l’appel de courant «normal». Différents circuits de protection viennent prévenir ces conditions en résistant plus de une minute ou deux. Lorsque vous définissez la source d’alimentation nécessaire pour vos amplificateurs, utilisez le tableau ci-après pour prévoir les besoins en courant requis par chaque amplificateur. Vous pouvez utilisez les valeurs pour 1/8e de la puissance définissant des conditions normales d’appel de courant si vous désirez conserver une marge de sécurité supplémentaire en prévision de crescendos occasionels.
(Pour une utilisation en 220-240 V diviser par 2 les valeurs du tableau ci-contre)
Fondamentalement, un amplificateur de puissance tire son énergie d’une source de courant alternatif secteur qu’il converti en courant continu puis en un signal analogique qu’il envoie vers les haut-parleurs. Entre la prise secteur et les sorties HP, le passage du courant à travers les circuits provoque un rayonnement de chaleur. En utilisation intérieure, un système de climatisation est souvent utile. Pour en évaluer la puissance, reportez-vous au tableau ci-dessous. Il vous indique le rayonnement thermique par amplificateur.
Source: Sennheiser France (www.sennheiser.fr)
| Moteur de recherche |
| Plan du site |
| Son |
| Eclairage |
| Electricité |
| Câblage et connectique |
| Bien débuter |
| Acoustique |
| Line Array - Ligne source |
| Impédance - HP |
| Décibels |
| DI Box |
| Adaptation d'impédance |
| Symétrique - Asymétrique |
| Lignes 100 volts |
| Consoles |
| Acoustique fondamentale |
| Timbre |
| Phase: Première partie |
| Directivité des basses fréquences |
| End fire |
| End Fire 2 |
| Sources sonores - propagation |
| WST |
| Circuits auxiliaires |
| INSERTS |
| Groupes |
| Bouchon DMX |
| Câbles multipaires électriques |
| Electricité - Notions élémentaires |
| Tableaux électriques |
| L'électricité pour nos spectacles |
| Multimètres - Utilisation |
| Indices de protection (IP) |
| Branchements |
| Relier les enceintes |
| Les types de câbles |
| Câbles électriques |
| Réaliser ses adaptateurs |
| Connecter un clavier |
| Série et parallèle |